|
Magnetna vezja.
Beseda vezje zveni domače; nehote se spomnimo električnih vezij,
bremen, virov, tokov, napetosti, pa tudi poti, ki nas je vodila do
tja. Govorili smo o tokovnem polju, tokovni gostoti, električni
poljski jakosti, Ohmovem zakonu, specifični električni prevodnosti,
(ne)linearnosti, Kirchhoffovih zakonih idr. Priznati moremo, da smo
nekaj sorodnih pojmov srečali tudi v magnetnetiki, in izgleda, da
nas do magnetnega vezja ne loči več dolga pot.
Pojdimo po vrsti! V
tokovnem polju smo pri (Ohmovem) linearnem zakonu upora imeli enačbo
J =gE,
pri linearnih magnetikih imamo enačbo B
=
mH; snovni
konstanti povezujeta vektorja gostot z vektorjema jakosti. Magnetno
enačbo bi utegnili preimenovati v »magnetni Ohmov zakon«,
permeabilnost pa v nekakšno »specifično magnetno prevodnosti«.
Če smo v tokovnem polju ugotovili, da je prevodni kanal večje
prevodnosti ugodnejši za električni tok, potem bo feromagnetik večje
permeabilnosti verjetno ugodnejši za magnetni pretok.
»Skok v magnetno
vezje«! Zamislimo si jedro tuljave, ki ga oblikujeta dva
linearna feromagnetna toroida (slika 1).
Preseka toroidov naj
sta S1 in S2, njuni relativni
permeabilnosti m
r1 in m
r2, srednja dolžina magnetne poti pa je v obeh enaka lms.
Pri vzbujanju tuljave z magnetno napetostjo
Q
= NI bosta srednji
vrednosti magnetnih poljskih jakosti v obeh delih jedra enaki (saj
so gostotnice v obeh delih jedra še vedno krožnice, ki objemajo
enako množino električnega toka). Zaradi različnih permeabilnosti
delov jedra bosta srednji gostoti magnetnih pretokov B1s
in B2s v njiju različni, zato bosta v splošnem
različna tudi magnetna pretoka
f1 in f2.
Po že znanih izrazih iz predhodnega razdelka znamo njiju in celoten
pretok f tudi
zapisati, takole:

In že smo pri
magnetnem vezju! Toroidno tuljavo, ki je vzbujana z magnetno
napetostjo Q
= NI, in delna
pretoka f1
in f2
skozi jedri moremo predstaviti z zanko »vira magnetne napetosti«
in vzporednih »magnetnih uporov«, katere »magnetni tok«
ustreza magnetnemu pretoku f
v jedru tuljave (slika 2).
Simbol vira magnetne
napetosti in simbol magnetnega upora si izposodimo iz električnih
vezij, in enako tudi označevanje magnetnih tokov in magnetnih
napetosti; »plus« pol vira je pri »sponki«, iz katere »izhaja«
magnetni tok f.
Magnetna
upornost. Magnetnemu vezju »manjka« le še opredelitev pojma »magnetna
upornost«. Magnetno upornost Rm magnetnega
kanala oziroma magnetnega upora določa kvocient magnetne napetosti
in magnetnega toka; magnetni upornosti magnetnih poti sta:

Formuli spominjata na formulo
za električno upornost prevodnega kanala in faktor
m v imenovalcu nas
utrjuje v misli, da je permeabilnost v vlogi svojske magnetne
prevodnosti.
Drugačna magnetna
jedra. Glavnino časa smo posvetili toroidnim jedrom, v resnici
pa jedra tuljav niso le takšna; izkoristimo priliko in se posvetimo
še drugim oblikam feromagnetnih jeder! V ravnem tokovodniku je tok
usmerjen vzdolž vodnika, če pa je ta zakrivljen ali zalomljen, se
tej poti ukloni tudi tok. Glede na vlogo permeabilnosti (kot svojske
magnetne prevodnosti snovi) moremo pričakovati, da bo v primeru
lomljenega feromagnetnega kanala pot magnetnega fluksa skozi njega
še vedno ugodnejša, kot pa skozi okoliški zrak (magnetni izolant)
s permeabilnostjo m0,
ki je običajno tisoč- ali milijonkrat manjša od permeabilnosti
feromagnetne snovi (slika 3).
Pomembno je še nekaj
drugega! Pri visokopermeabilnih jedrih nikakor ni več potrebno, da
so ovoji tuljave razmeščeni po vsem obodu, ampak so ti lahko zbrani
le na delu jedra, kar samo tehnološko izvedbo tuljav z jedri precej
poenstavi.
Enozančno jedro z
enim navitjem je dušilka,
enozančno z dvema navitjema je enofazni transformator,
dvozančno jedro z dvema navitjema je varilni transformator in
dvozančno s šestimi navitji je že trifazni transformator. Te
in druge elektromagnetne strukture, kot so motorji, generatorji,
elektromagneti, instrumenti, moremo v nadaljevanju modelirati z
elementi magnetnih vezij in jih analizirati z metodami, ki smo jih
spoznali pri električnih vezjih.
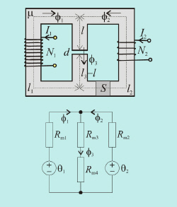
Modeliranje
linearne magnetne strukture. Izbiramo primer dvozančnega
linearnega feromagnetnega jedra s permeabilnostjo
m in presekom S,
ki ima tri krake srednih dolžin l1, l2
in l3, srednji ima še ozko zračno režo
debeline d, in navitjema z N1 in
N2 ovoji in tokoma I1 in
I2. Pozornost vzbuja zračna reža, ki je tudi
sestavina magnetnih struktur; največkrat je sicer neželena, včasih
pa celo hotena. Feromagnetno jedro običajno ni odlitek, ampak je
sestavljen iz paketov tanke pločevine, lamel (slika 5).
Pri zlaganju lamel
in paketov se pojavijo neželene reže; neizogibna je tudi med
statorjem in rotorjem motorja. Reža more biti tudi hotena: da
omogoči hod kotve (pomičnega dela jedra), ali da opredeli
določeno karakteristiko naprave (takšno vlogo ima reža v izbrani
dvozančni magnetni strukturi, ki predstavlja varilni transformator).
Magnetni pretok skozi zgornji in spodnji del srednjega stebra
»prečka« torej tudi režo. Z vidika magnetnega vezja je reža v
resnici dodaten upor. Magnetno upornost ji določa izraz, ki je
soroden tistim za upornosti feromagnetnih poti po ostalih delih
jedra:

Upori magnetnega vezja so s
tem določeni; opredeliti moramo še vira. Njiju modelirata vira
napetosti Q1
= N1I1
in Q2
= N2I2.
Glede na smeri tokov I1 in I2
skozi vzbujalni navitji ter desno pravilo sta plus polariteti virov
zgoraj; toka generirata magnetna pretoka v zgornje razvejišče krakov
jedra. Vse povedano povzema modelno magnetno vezje. Od tu dalje se
moremo lotiti analize vezja; pri tem uporabljamo metode za analizo
električnih vezij.
Zgled 1.
V dvozančni magnetni strukturi s podatki, l1
=
l2
=
30 cm, l3
=
10 cm, S
=
20 cm2, d
=
1 mm, m
=
9000m0,
Q1
=
100 A in
Q2
=
50 A, izračunajmo pretoke
f1,
f2
in
f3.
Þ
Najprej izračunamo magnetne upornosti:



Izberimo metodo spojiščnih
potencialov; virtualno potencialno izhodišče bodi v spodnjem
spojišču. Izračunajmo magnetni potencial Vm
zgornjega spojišča! Z njim izrazimo vse tri flukse:

Po prvem Kirchhoffovem zakonu velja:
 
V enačbo zanesemo pripravljene podatke
in dobimo: Vm
@
73,79 A. Od tu sledijo pretoki v stebrih:

Opravila torej niso nič drugačna od
tistih v električnih vezjih.
Nelinearno
magnetno vezje. Analiza linearne magnetne strukture verjetno ni
težavna (opiramo se na metode reševanja linearnih električnih
vezjih), na težave pa naletimo, kadar je feromagnetno jedro
nelinearno in so zaradi tega nelinearni tudi nekateri elementi
magnetnega vezja (če se spominjamo, smo na podoben problem opozorili
tudi pri nelinearnih električnih vezjih).
Da bi pa ne ostali zgolj pri tem, si oglejmo primer tuljave z
jedrom, ki ima zračno režo (slika 6).
Modelira ga
enozančno nelinearno magnetno vezje, ki ga oblikujejo vir magnetne
napetosti (tuljava), linearen upor (reža) in nelinearen upor
(jedro). Magnetna napetost Q
= Ni in lastnosti
uporov določajo padca magnetne napetosti v jedru in reži,
Q1 in
Q0, ter
magnetni pretok f
skozi režo in jedro, kjer ima gostoto B=f
/ S.
Magnetna napetost Q1
je enaka produktu magnetne poljske jakosti H in dolžine
magnetne poti l v jedru, napetost
Q0 pa je
enaka produktu magnetne poljske jakosti B /
m0 in
dolžine magnetne poti d v reži. Iz Kirchhoffovega zakona
zanke sledi:

Zadnja enačba
povezuje magnetno poljsko jakost in gostoto pretoka v jedru;
prepoznavamo jo kot premico v diagramu B-H (slika 7);
abscisno os seka v
točki (0, Ni / l), ordinatno pa v točki (0,
m0Ni
/ d). Nagib poševne premice je očitno neodvisen od jakosti
toka i; ko bo magnetilni tok naraščal, bo premica drsela v
desno, v nasprotnem v levo. Poleg tega pa sta H in B
povezana tudi z magnetilno krivuljo, ki jo določa dinamika
naraščanja in padanja toka. Kadar je jedro predhodno razmagneteno,
za tem pa magnetilni tok i od vrednosti nič narašča, je
potrebno premico vrisati v diagram, ki podaja začetno magnetilno
krivuljo (slika 8).
Sečišče krivulje in
premice, ki jo določa vrednost toka, je delovna točka, ki pove,
kolikšna sta B in H v jedru. Če pa je magnetilni tok
izmeničen, je potrebno premico vrisati v diagram, ki podaja
histerezo zanko. Pri naraščanju toka, je delovna točka na spodnjem
delu, pri upadanju toka pa na zgornjem delu histerezne krivulje
(slika 9).
Trajni magnet.
Za konec si omislimo primer magnetilnega toka, ki bi v času
naraščanja od nič do največje vrednosti jedro z režo magnetil, v
času usihanja do vrednosti nič pa bi ga delno razmagnetil. Ako je
bilo jedro pred začetkom magnetenja razmagneteno in ima magnetilni
tok še vrednost nič, leži poševna premica tako, da bi prečka
izhodišče. V času naraščanja magnetilnega toka se premica pomika v
desno, delovna točka pa drseti po začetni krivulji do točke »1«; v
času upadanja toka se pomika delovna premica nazaj k izhodiščni
legi, delovna točka pa drsi po zgornji krivulji do točke »2« (slika
10).
Magnetilni tok je od
tega trenutka dalje enak nič; mogli bi si misliti, da takrat navitje
odvijemo oziroma odstranimo; ostane zgolj delno namagneteno jedro z
režo, trajni magnet. Zadnja delovna točka ima koordinati (H2,
B2). Vrednost magnetne poljske jakosti v jedru je
negativna:

Jakost H2
ustreza v resnici vrednosti tangentne komponente magnetne poljske
jakosti H2t na srednji gostotnici; to
pomeni, da je vektor poljske jakosti H2 v jedru
usmerjen nasprotno od vektorja gostote magnetnega pretoka B2.
V reži je drugače: tam imata vektorja gostote magnetnega pretoka in
poljske jakosti isto usmerjenost, saj ju veže zgolj permeabilnost
praznega prostora. Enaka tangentna komponenta gostote magnetnega
pretoka v magnetni zanki kaže na to, da jedro (tudi po prenehanju
magnetilnega toka) zadrži določeno množino trajnega magnetnega
pretoka f2
= B2S,
ki je posledica zadržane usmerjenosti Weissovih domen oziroma
magnetnih dipolov v jedru.
V praksi so trajni
magneti seveda različnih oblik in različnih smeri zadržane
magnetizacije; odvisno pač od potreb, ki to narekujejo; pogosti so
podkvasti, ploščati in paličasti. Enozančno jedro z režo je primer
podkvastega magneta. Če bi režo jedra (ob naraščanju in usihanju
magnetilnega toka) zapolnjevala feromagnetna ploščica, ki bi jo po
končanem procesu magnetenja izvlekli, bi dobili ploščat trajni
magnet, če pa bi bilo jedro sestavljeno iz več delov, bi z njihovo
razdružitvijo pridobili tudi več paličastih trajnih magnetov.
Površino trajnega magneta, iz katere magnetno polje izstopa,
imenujemo severni pol, nasprotno, v katero vstopa, pa
južni pol.
Če paličast magnet
(katerega gostotnice so podobne gostotnicam magnetnega polja ravne
zračne tuljave) postavimo v neko magnetno polje (igla kompasa v
Zemljinem magnetnem polju) in mu dopuščamo možnost vrtenja, potem se
v njem obnaša tako kot tokovna zanka v magnetnem polju: zasuče se
tako, da se magnetno polje Ampèrovih tokov v palici postavi v smer
tistega polja.
Žico navijemo na tuljavnik (enako kot ravno tuljavo); tega
namestimo na izbrano mesto, običajno sestavljivega jedra.
Magnetno vezje je vseeno drugačno. Važna količina električnega
vezja je električna moč. Tej podobne količine v magnetiki ni;
produkt
fq
nima nikakršne fizikalne vsebine, zato si z njo pač ne belimo
glave.
|