|
Realen vir.
Ker je poševna premica karakteristika U-I tako za realen
tokovni kot za realen napetostni vir, jima smemo dati kar enotno
ime, ime realen vir. Katerega od pridevnikov (napetostni ali
tokovni) mu dodamo, je odvisno od tega, s katerim modelnim vezjem
želimo vir predstaviti. Značilnici realnega vira sta v vsakem
primeru napetost odprtih sponk Uo in tok kratkega
stika Ik; ti vrednosti določata točki na abscisi
in ordinati oziroma premico vira, ki je v odsečni obliki videti
takole:

Če iz nje izrazimo napetost
in jo primerjamo z enačbo napetostnega vira,

ugotovimo, da je kvocient
napetosti odprtih sponk in toka kratkega stika enak notranji
upornosti vira,

Če poznamo dva od treh
podatkov vira, poznamo enačbo vira, znamo narisati karakteristiko
vira in izbrati eno od obeh modelnih vezij (slika 10).
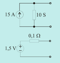
Zgled 1.
Na začetku smo imeli primer baterije, ki ima v prostem teku napetost
1,5 V, notranjo upornost pa 100 mW.
Þ
Če želimo baterijo predstaviti kot realen napetostni vir, bosta
modelno vezje oblikovala neodvisen napetostni vir napetosti 1,5 V in
zaporedni upor upornosti 100 mW,
če pa jo želimo predstavili kot realen tokovni vir, bo tok
neodvisnega tokovnega vira znašal 1,5 V / 100 mW
=
15 A, vzporedni upor pa bo imel prevodnost 10 S (sliki 11).
Vira sta si v
vezavah sicer različna, v resnici pa ekvivalentna.
Ekvivalentnost se nanaša na enakovrednost z vidika porabnika, ki ga
priključujemo na vir. V poosebljenem smislu bi rekli: »breme ne ve,
katero aktivno vezje ga vzbuja«.
Določanje
parametrov vira. Kakega vira včasih ne poznamo: ne poznamo
notranje upornosti niti napetosti odprtih sponk niti toka kratkega
stika; takrat je to za nas črna škatla, iz katere štrlita dva
priključka. Iz zagate se izvijemo z meritvijo. Potrebujemo V-meter,
A-meter in spremenljivo breme, na primer žičnat upor z drsnikom
(slika 12).
Izvedemo meritvi!
Drsnik postavimo v neko lego in z instrumentov odčitamo vrednosti,
npr. U1 in I1; nato drsnik
premaknemo, da se odčitka instrumentov razvidno spremenita in
odčitamo novi vrednosti, npr. U2 in I2.
Te odčitke vstavimo zatem v enačbo realnega napetostnega vira:

Dobimo sistem dveh
enačb z dvema neznankama. Če izrazimo Ug iz ene in
jo vstavimo v drugo, pridobimo notranjo upornost, ko pa to vstavimo
v eno od prvotnih enačb, dobimo še napetost neodvisnega napetostnega
vira:

Zgled 2.
Prva meritev je dala odčitka 11,5 V in 15 A, druga pa odčitka 11 V
in 25 A. Þ
Notranja upornost je 0,05
W,
napetost odprtih sponk pa 12,25 V. Takšna črna škatla bi mogel biti
morda kak iztrošen avtomobilski akumulator, ki napetosti odprtih
sponk nima več dobrih 13 voltov. Priredimo črni škatli še modelno
vezje s tokovnim virom. Jakost neodvisnega tokovnega vira bo 12,25 V
/ 0,05 W
=
245 A, njemu vzporeden upor pa bo imel še vedno upornost 0,05
W
(slika 13).
|