|
V tem poglavju
si bomo ogledali preprosta elektronska vezja
Simboli
Zaporedna vezja
Vzporedna vezja
Mešana vezja
Simboli
Najprej si poglejmo
simbole, ki se uporabljajo pri risanju elektronskih vezij.

Poznamo dve vrsti
elektronskih vezij. To so zaporedno in vzporedno vezana vezja. Potem
obstajajo tudi mešana vezja, ki vsebujejo oba načina.

Zaporedna
vezja
Najprej poglejmo
katere vrednosti nastopajo v preprostem zaporednem vezju

Celotna napetost
je napetost, ki jo daje baterija in je vsota napetosti na obeh upornikih
U = U1
+ U2
Celotna upornost
je enaka vsoti upornosti obeh upornikov
R = R1
+ R2
Tok pa je pri
zaporedni vezavi enak skozi vse upornike
I = I1
= I2
Primer:

Imamo zaporedno
elektronsko vezje. Izračunajmo celotno napetost, celotno upornost
in tok, ki teče skozi vezje.
Napetost izračunamo
z seštevanjem napetosti na posameznih elementih
U = 9V + 1V
+ 16V + 4V = 30V
Skupno upornost
izračunamo s seštevanjem upornosti posameznih elementov
R = 30ohm +
10ohm + 40ohm + 20ohm = 100ohm
Zdaj pa lahko
po Ohmovem zakonu izračunamo še tok, ki teče skozi vezje
I = U / R =
30V / 100ohm = 0.3A

Vzporedna
vezja
Takole
izgleda vzporedno vezje

Zaradi vzporedne
vezave je napetost na obeh upornikih enaka
U = U1
= U2
Tok, ki teče
skozi vezje pa se razdeli na tok, ki teče skozi prvi upornik in
tok, ki teče skozi drugi upornik
I = I1
+ I2
Celotna upornost
vezja pa se izračuna po enačbi
1/R = 1/R1
+ 1/R2
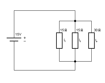
Primer:
Najprej izračunamo
celotno upornost
1/R = 1/15 +
1/15 + 1/30 = 5/30
R = 6 ohm
Nato izračunamo
tok, ki teče skozi vezje
I = U / R =
15 / 6 = 2.5 A
Zdaj izračunamo
še posamezne tokove skozi uporabnike
I1
= U / R1 = 15 / 15 = 1 A
I2 = U / R2 = 15 / 15
= 1 A
I3 = U / R3 = 15 / 30
= 0.5 A
Pravilnost tokov
lahko preverimo
I = I1
+ I2 + I3 = 1 + 1 +
0.5 = 2.5 A

Mešana
vezja
Pri vezjih,
ki vsebujejo oba načina vezave, se moramo računanja vrednosti lotiti
posamezno

Ker imamo podane
vse upornost najprej izračunamo celotno upornost
Najprej izrečunamo
R34
R34 = R3 + R4
= 20 + 10 = 30 ohm
Nato izračunamo
R234
1/R234
= 1/R2 + 1/R34 = 1/15
+ 1/30 = 3/30
R234
= 10 ohm
Zdaj izračunamo
celotno upornost
R = R1
+ R234 = 10 + 10 = 20 ohm
Sedaj lahko
izračunamo tok
I = U / R =
15 / 20 = 0.75 A
Izračunamo napetost
na uporniku R1
U1
= R1 * I = 10 * 0.75 = 7.5 V
Sedaj izračunamo
napetosti na upornikih R2, R3
in R4
U2
= U3 + U4
U = U1
+ U2
U2
= U - U1 = 15 - 7.5 = 7.5 V
Ko imamo napetost
na uporniku R2 lahko izračunamo tok, ki teče
skozenj
I2
= U2 / R2 = 0.5 A
Tok I34
izračunamo po enačbi
I = I2
+ I34
I34
= I - I2 = 0.75 - 0.5 = 0.25 A
Sedaj samo še
izračunamo napetosti na upornikih R3 in R4
U3
= R3 * I34 = 20 * 0.25
= 5 V
U4
= R4 * I34 = 10 * 0.25
= 2.5 V


|