GSM alarmna centrala s kontrolo porabnikov

Projekt je bil objavljen v reviji

Pričel se je lep zimski dan, katerega ste tako željno pričakovali in danes se boste končno odpravili na svoj vikend v hribih. Škoda le, da bo vsaj nekaj ur še zelo hladno, preden se bodo prostori dovolj ogreli za normalno bivanje. Ko pridete do vikenda, opazite, da so vrata poškodovana. Nekdo je vlomil in…
Upam, da se vam podobna zgodba ni pripetila, z napravo, ki jo bom opisal v nadaljevanju, pa se vam skoraj gotovo ne bo. Kot je razvidno iz naslova, bom opisal napravo za daljinski vklop štirih energetskih porabnikov, ki v sebi združuje tudi alarmno centralo z alarmiranjem preko mobilnega GSM omrežja.

Ideja
Značilnosti
Delovanje vezja
Priključni konektorji
Priklop senzorjev
Predelava običajnega senzorja v senzor za alarm
GSM konektor
Tiskano vezje
Sestavljanje vezja
Programska oprema
Napajalni del alarmne centrale
Prvi vklop in testiranje
Spisek materiala
Izjava
Zaključek


Ideja

Morda se vam je zazdelo nenavadno, da bi za alarmiranje uporabili GSM omrežje, vendar je na ta način naprava bolj univerzalna in neodvisna od fizičnih telefonskih linij, katere lahko potencialni vlomilec onesposobi preden prične z vlamlanjem. Poleg tega pa lahko nedostopnost zemeljskega telefonskega priključka v odročnejših krajih pomeni, da objekta enostavno ne boste mogli varovati. Dandanes je pokritost s signalom GSM zelo dobra, kar pa bomo s pridom uporabili pri naši napravi. Izbiro operaterja ter naročniškega ali predplačniškega paketa bom prepustil vašemu okusu ter zmožnostim, vsekakor pa je najbolj optimalna tista varianta, ki ima poceni mesečno naročnino, ali pa je sploh nima.

In kako sem prišel na idejo za tako napravo? V bistvu sem že kar nekaj časa razmišljal o izdelavi podobne naprave, vendar se nekako nikoli nisem odločil, da bi se vrgel v projekt. Lani pred počitnicami pa mi je prijatelj dal “nalogo”, da mu naredim napravo, ki ga bo policala na GSM, če bi kdo vlomil v hišo. Zadeve sem se lotil in jo potem, ko je bila že narejena še dodatno izpopolnjeval. Tako je nastala naprava, ki je uporabna, testirana in dobro deluje, poleg tega pa je tudi dokaj poceni, v primerjavi s podobnimi izdelki na tržišču.


Značilnosti

Trenutna verzija naprave ima naslednje značilnosti:


Delovanje vezja

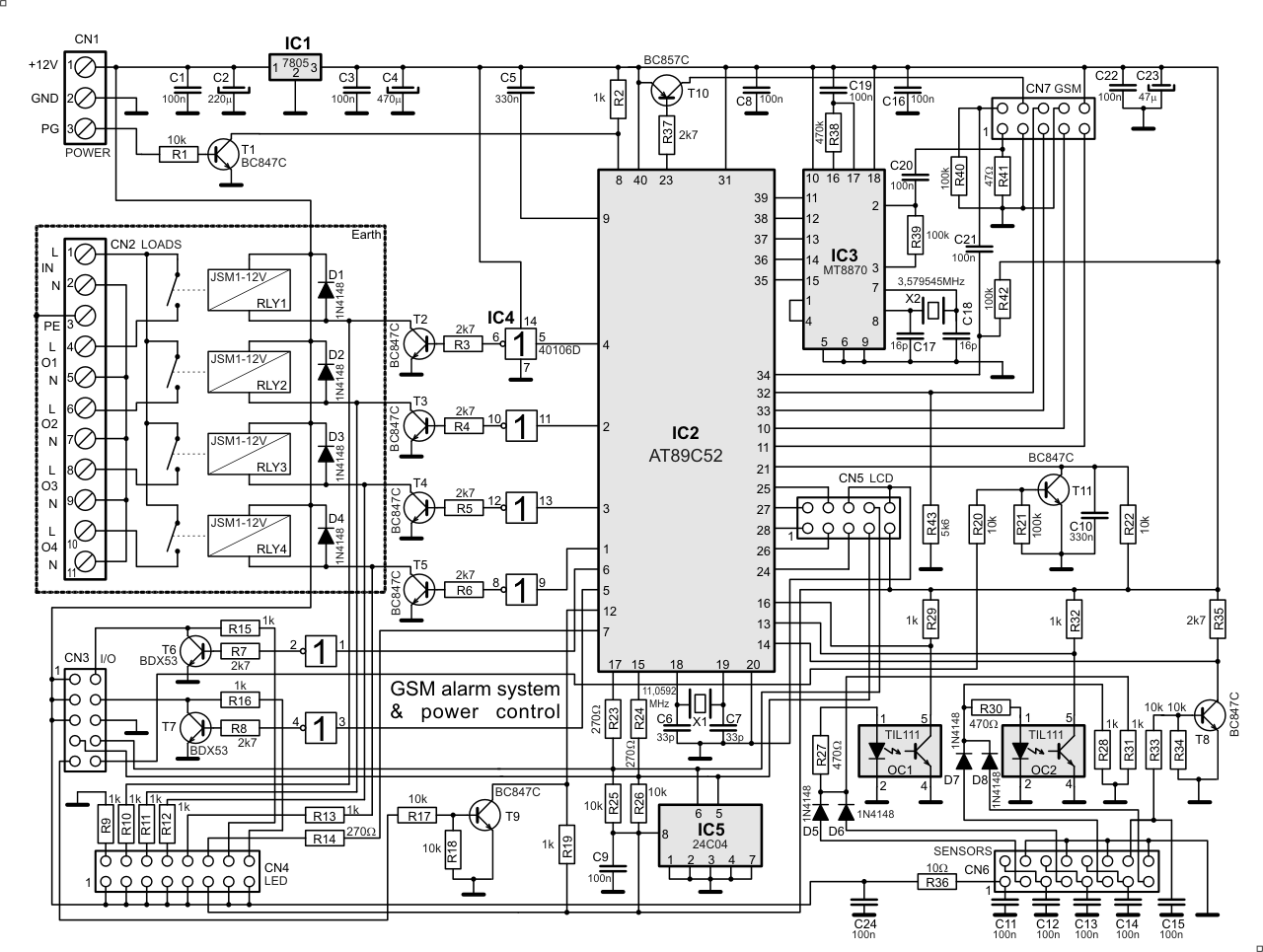
Možgani vezja so narejeni z dobro poznanim Atmelovim mikrokontrolerjem AT89C52, ki ima na voljo 8kB FLASH-a in 256B RAM-a. Program, ki se izvaja v mikrokontrolerju skrbi za delovanje celotnega sistema, ki vsebuje:

Slika 1: Shema GSM alarmne centrale (klikni za povečavo)

No, pa pojdimo po vrsti. Konektor CN1 služi za dovod napajalne napetosti 12V iz napajalnega dela. Tretja sponka, označena s PG (power good) pa nam z napajalnika sporoča stanje omrežne napetosti. Logična “0” pomeni, da je napajanje iz omrežja, logična “1” pa, da je napajanje iz akumulatorja. Negator s tranzistorjem služi kot prilagodilni člen iz 12V logičnega nivoja na 5V. Z napetostjo 12V napajamo releje, sireno, utripalko in senzorje. Napetost 5V dobimo na izhodu stabilizatorja IC1, ki je klasični 7805, privijačen na tiskano vezje zaradi nekaj večje disipacije izgubne moči. Ta napaja mikrokontroler (IC2) z ostalimi sklopi. V 5V napajalni verigi boste našli kar nekaj 100n blokirnih kondenzatorjev, ki zagotavljajo stabilno in zanesljivo delovanje naprave.

Kot smo že rekli, je glavni element naše naprave mikrokontroler AT89C52. Ta ima prav vse I/O pine zasedene. Dodeljeni so raznim funkcijam, ki so opisane v spodnji tabeli.

Port
Pin
I/O
Funkcija Opis
P0.0
39
IN
BCD b0 BCD bit 0 iz DTMF dekoderja
P0.1
38
IN
BCD b1 BCD bit 1 iz DTMF dekoderja
P0.2
37
IN
BCD b2 BCD bit 2 iz DTMF dekoderja
P0.3
36
IN
BCD b3 BCD bit 3 iz DTMF dekoderja
P0.4
35
IN
BCD E BCD ENABLE iz DTMF dekoderja
P0.5
34
OUT
BEEP OUT Tonski izhod (na mikrofon telefona)
P0.6
33
IN
PWR STAT Signal iz GSM (vključen = +5V)
P0.7
32
IN
MUTE Signal iz GSM (MUTE = +5V)
P1.0
1
OUT
RLY4 Rele porabnika 4
P1.1
2
OUT
RLY2 Rele porabnika 2
P1.2
3
OUT
RLY3 Rele porabnika 3
P1.3
4
OUT
RLY1 Rele porabnika 1
P1.4
5
OUT
HORN Sirena
P1.5
6
OUT
FLASH Alarmna luč
P1.6
7
OUT
LED LED statusna, utripa ko je Al, aktiven
P1.7
8
IN
PG Detekcija omrežne U
P2.0
21
IN
LOAD CHECK Preverjanje stanja porabnika 1
P2.1
22
OUT
LCD RS LCD kontroler – RS
P2.2
23
OUT
GSM PC Vklop/izklop GSM-a
P2.3
24
OUT
LCD E LCD kontroler – E
P2.4
25
OUT
LCD DB4 LCD kontroler – DB4
P2.5
26
OUT
LCD DB5 LCD kontroler – DB5
P2.6
27
OUT
LCD DB6 LCD kontroler – DB6
P2.7
28
OUT
LCD DB7 LCD kontroler – DB7
P3.0
10
IN
RXD Podatki iz GSM-a
P3.1
11
OUT
TXD Podatki v GSM
P3.2
12
IN
REMOTE Daljinski vklop/izklop alarma
P3.3
13
IN
ZONE 2 Cona 2 senzorjev
P3.4
14
IN
SABOTAGE Sabotaža
P3.5
15
OUT
SCL Clock impulzi za I2C vodilo
P3.6
16
IN
ZONE 1 Cona 1 senzorjev
P3.7
17
I/O
SDA Podatkovna linija I2C vodila

Tabela 1: Dodelitev vhodno/izhodnih pinov mikrokontrolerja

Mikrokontroler dela s taktom 11,0592MHz, kar mu omogoča natančno generiranje prenosa podatkov, ki se v tem primeru odvija s hitrostjo 9600bps. Več o tem pa v nadaljevanju.

IC3 z okoliškimi elementi tvori DTMF (Dial Tone Multi Frequency) dekoder, kateri dekodira ton iz GSM aparata in mikrokontrolerju posreduje informacijo o pritisnjeni tipki. Mikrokontroler jo primerno obdela in nanjo reagira v skladu s programom. Vezje je realizirano z dokaj znanim integriranim vezjem MT8870. Tisti, ki ga poznate, boste opazili dva kondenzatorja po 16p (C17 in C18), ki ju v originalnem datasheetu ni. Brez teh kondenzatorjev oscilator s quartz kristalom X2 noče zaoscilirati in dekoder ne deluje. Razlog za to so verjetno quartz kristali slabe kvalitete. Jaz sem poskusil z dvema različnima proizvajalcema, pa ni bilo v delovanju bistvene razlike, s tema kondenzatorjema pa mi stvar brezhibno deluje. IC4 vsebuje šest negatorjev, ki odpirajo baze tranzistorjev T2 do T7, služijo pa kot bufferji. Poleg tega je ob resetu mikrokontrolerja stanje na vseh pinih visoko, takšno stanje pa bi odpiralo tranzistorje, če vmes ne bi bilo negatorjev. IC5 je serijski EEPROM 24C04. Tega sem izbral zato, ker je sposoben pisati besedo dolgo 16B naenkrat, poleg tega pa je ostalo še nekaj prostora za eventuelne bodoče nastavitve. Ta EEPROM komunicira z mikrokontrolerjem po I2C vodilu, ki je zaradi mogočih posodobitev vezan tudi na izhodno/vhodni konektor (CN3) in konektor LCD displeja (CN5). Ostanejo nam še optični spojniki ali po slovensko optocouplerji, ki preprečijo, da bi manjše inducirane napetosti ali druge motnje neželeno prožile alarm. Ostali sklopi s tranzistorji so enostavni in mislim, da ne zahtevajo posebne razlage.


Priključni konektorji

Centrala ima kar sedem konektorjev za priključitev zunanjih naprav in porabnikov. Podroben opis s tabelami priključkov bom podal tudi v tabelah, tako da bo poenostavljeno morebitno iskanje napak, če bo do njih prišlo.

CN1 je napajalni konektor, katerega sem že omenil in ne potrebuje posebne razlage.

Pin I/O Funkcija Opis
1 IN-P +12V Napajanje +12V/2A
2 IN-P GND Masa napajanja
3 IN PG Zaznavanje omrežne napetosti

Tabela 2: Razpored priključkov CN1

Dovod 230V omrežne napetosti ter izhodi za porabnike se nahajajo na konektorju CN2. Na prve tri vrstne sponke priključite dovod omrežne napetosti 220V, ki je varovan z varovalko 10A. Dovod mora obvezno vsebovati tudi ozemljitveni vodnik. Ozemljitev je speljana okoli visokonapetostnega dela in releje s konektorjem zapira v ločeno celoto. Na nadaljevanju teh sponk so izhodi 220V, na katere priključite porabnike. Ozemljitvene vodnike do porabnikov priključite v omarici, v kateri se naprava nahaja na razvodnico za ozemljilo, iz katere je ozemljena tudi naprava. Pri povezovanju si lahko pomagate tudi s sliko.

Slika 2: Priklop omrežne napetosti in porabnikov na CN2


Pin I/O Funkcija Opis
1 IN-P L 230V Dovod 230V - Linija (faza)
2 IN-P N Dovod - nevtralni vodnik
3 IN-P PE Dovod – Ozemljitev
4 OUT-P O1-L Izhod 230V – Porabnik 1
5 OUT-P O1-N Izhod – nevtralni vodnik
6 OUT-P O2-L Izhod 230V – Porabnik 2
7 OUT-P O2-N Izhod – nevtralni vodnik
8 OUT-P O3-L Izhod 230V – Porabnik 3
9 OUT-P O3-N Izhod – nevtralni vodnik
10 OUT-P O4-L Izhod 230V – Porabnik 4
11 OUT-P O4-N Izhod – nevtralni vodnik

Tabela 3: Razpored priključkov CN2

Na shemi poleg dveh konektorjev z vijačnimi vrstnimi sponkami lahko vidite tudi še pet tako imenovanih Speedy konektorjev. Uporabil sem jih zato, ker na tiskanini zavzamejo malo prostora. Običajno se pini na takih konektorjih številčijo od leve proti desni, vendar v cik-caku. Pin 1 je spodnja leva, gledano iz vrha, pin 2 je nad njim, pin 3 je desno od pina 1… Taka razporeditev je dobrodošla zaradi tega, se zadeva dobro izide na ploščatem kablu, ki ima zato priključke oštevilčene po vrsti, od leve proti desni.

Slika 3: Oštevilčevanje pinov na konektorju in na
ploščatem (flat) kablu (pogled z zgornje strani)

Konektor CN3 služi za priklop sirene, utripalke, dodatnega daljinskega modula in fotoupora za detekcijo stanja porabnika. Poleg tega sta tu puščena še dva priključka za serijsko komunikacijo po I2C vodilu (SCL in SDA).

Slika 4: Priklop sirene, utripalke, daljinskega sprejemnika in fotoupora na CN3


Pin I/O Funkcija Opis
1 OUT FLASH + Napajanje utripalke +12V
2 OUT FLASH - Izhod utripalke open collector
3 OUT SIREN + Napajanje sirene +12V
4 OUT SIREN - Izhod sirene open collector
5 OUT-P +12V OUT Napajanje daljinskega modula +12V
6 OUT-P GND OUT Masa napajanja daljinskega modula
7 OUT SCL Clock impulzi za I2C vodilo
8 I/O SDA Podatkovna linija I2C vodila
9 IN REMOTE Daljinski vklop/izklop alarma
10 IN LOAD CHECK Preverjanje stanja porabnika

Tabela 4: Razpored priključkov na vhodno/izhodnem konektorju (CN3)

Naslednji konektor je CN4, na katerega so priključene samo LED diode, in sicer na vseh lihih pinih so anode, na sodih pa katode. Barvo LED diod si lahko izberete sami, priporočam pa naslednje barve: LD1 rdeča, LD2…LD5 zelene, LD6 modra, LD7 in LD8 rumene.

Slika 5: Priključitev LED diod na konektor CN4

Pin I/O Funkcija Opis
1 OUT PWR LED A Status napajanja
2 OUT PWR LED K Status napajanja
3 OUT O1 LED A Porabnik 1
4 OUT O1 LED K Porabnik 1
5 OUT O2 LED A Porabnik 2
6 OUT O2 LED K Porabnik 2
7 OUT O3 LED A Porabnik 3
8 OUT O3 LED K Porabnik 3
9 OUT O4 LED A Porabnik 4
10 OUT O4 LED K Porabnik 4
11 OUT ARMED LED A Status alarma
12 OUT ARMED LED K Status alarma
13 OUT FLASH A Utripalka
14 OUT FLASH K Utripalka
15 OUT SIREN A Sirena
16 OUT SIREN K Sirena

Tabela 5: Opis priključitve LED diod

Konektor CN5 lahko pustite prazen. Sem se priključi tekstovni LCD displej, kateri nam kaže, kaj naprava dela, služi pa nam tudi za obnovitev gesla, če smo ga pozabili. Uporabi se 1x16 standardni displej s HD44780 ali kompatibilnim LCD kontrolerjem. Na tem konektorju sta zopet tudi priključka SCL in SDA za serijsko komunikacijo, ki pa trenutno nista uporabljena, služila pa bi lahko za priklop LCD displeja, ki bi deloval na podlagi I2C vodila. Trimer potenciometer lahko prispajkate direktno na displej, saj ga enkrat nastavite in potem ne spreminjate več.

Slika 6: Priključitev LCD displeja

Pin I/O Funkcija Opis
1 OUT LCD DB7 LCD kontroler
2 OUT LCD DB6 LCD kontroler
3 OUT LCD DB5 LCD kontroler
4 OUT LCD DB4 LCD kontroler
5 OUT LCD E LCD kontroler
6 OUT LCD RS LCD kontroler
7 OUT SCL Clock impulzi za I2C vodilo
8 I/O SDA Podatkovna linija I2C vodila
9 OUT-P +5V Napajanje LCD
10 OUT-P GND Masa

Tabela 6: Razpored priključkov konektorja CN5







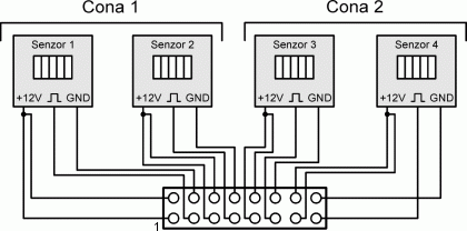
Priklop senzorjev na CN6

Senzorji se napajajo preko napajalnika centrale, zato ne potrebujejo drugih virov napajanja. Za detekcijo sabotaže je napajalna linija vezana zaporedno in poteka od enega senzorja do drugega. Na povratni liniji zadnjega senzorja tipamo prisotnost napetosti in na ta način ugotavljamo ali je s povezavami vse v redu. V primeru rezanja kabla bi lahko vlomilec naredil kratek stik, ki bi nam onesposobil napravo, zato sem v napajalno linijo vrinil upor 10W , ki služi kot zaščita. V primeru kratkega stika bo ta pregorel, naprava pa bo še vedno delovala. Tisti bolj zahtevni si lahko v senzor vgradite tudi mikrostikalo, ki prekine napajanje v primeru odprtja ohišja, vendar to ni nujno potrebno, saj bo potencialni vlomilec sprožil senzor, ko se mu bo približal.

Konektor CN6 je 16 pinski in za vsak senzor so uporabljene štiri žile, in sicer napajanje +12V, povratek napajanja, signal in masa. Sledijo si v istem zaporedju za vse štiri senzorje.

Pin I/O Funkcija Opis
1 PWR PS SEN 1 Napajanje senzorja 1, +12V
2 IN SAB 1 Sabotaža senzorja 1
3 IN ACT SEN 1 Impulz iz senzorja 1 (Cona 1)
4 COM GND Masa
5 PWR PS SEN 1 Napajanje senzorja 2, +12V
6 IN SAB 1 Sabotaža senzorja 2
7 IN ACT SEN 1 Impulz iz senzorja 2 (Cona 1)
8 COM GND Masa
9 PWR PS SEN 1 Napajanje senzorja 3, +12V
10 IN SAB 1 Sabotaža senzorja 3
11 IN ACT SEN 1 Impulz iz senzorja 3 (Cona 2)
12 COM GND Masa
13 PWR PS SEN 1 Napajanje senzorja 4, +12V
14 IN SAB 1 Sabotaža senzorja 4
15 IN ACT SEN 1 Impulz iz senzorja 4 (Cona 2)
16 COM GND Masa

Tabela 7: Priklop senzorjev na CN6

Za senzorje lahko uporabite štiri žilne ploščate telefonske kable, katere lahko stisnete direktno v ženski del Speedy konektorja. Pri tem morate biti zelo natančni, da vam katera od žic ne zgreši svojega mesta, saj je stiskanje teh kablov, ki niso namenjeni za speedy konektorje zelo natančno opravilo. Če vam ta varianta ne odgovarja pa si lahko naredite vmesnik z vrstnimi sponkami, na katere potem priklopite senzorje. Na isti način si lahko pomagate tudi pri konektorju CN3.

Slika 7: Priklop senzorjev na napravo

Na napravo lahko vežete tudi več senzorjev, če je to potrebno. Njihova poraba je zelo majhna, posamezni senzor vleče cca 25mA toka. V takem primeru jih moramo vezati v “kaskado”, kot kaže slika 8. V primeru, da ne uporabite vseh mest za senzorje, morate točki +12V napajanja in sabotaže povezati skupaj, sicer vam bo naprava ves čas javljala sabotažo. Možne povezave so torej 1 na 2, 5 na 6, 9 na 10 in 13 na 14, odvisno od tega, kateri senzor izpustite.



Slika 8: Priklop večih senzorjev na eno linijo


Predelava običajnega senzorja v senzor za alarm

Originalni senzorji za alarmne centrale so dokaj dragi. Piroelektrične senzorje (senzorje gibanja) lahko kupite v raznih trgovinah z elektro materialom že za tri tisočake. Ti senzorji so namenjeni predvsem za vklop luči ponoči, ko ni svetlobe. Ponavadi imajo čas impulza nastavljiv od nekaj sekund do nekaj minut, kar pa je za nas preveč. Poleg tega imajo vgrajen fotoupor, ki zaznava stopnjo osvetlitve in omogoča ali onemogoča delovanje senzorja. Torej je potrebno pri teh senzorjih naslednje:

Večina teh senzorjev ima v svojem drobovju ali 4x operacijski ojačevalnik LM324 ali namensko integrirano vezje ICES49H. Če ima vaš senzor izvedbo z LM324, lahko trajanje impulza skrajšate z zamenjavo elektrolitskega kondenzatorja, ki je povezan s potenciometrom za nastavljanje trajanja impulza. Potenciometer odspajkajte in ga kratko vežite. Na ta način boste eliminirali kritični del, ki je lahko zaradi slabega stika kriv za nepravilno delovanje senzorja, poleg tega boste onemogočili premikanje nastavitve. Elektrolitski kondenzator, ki je ponavadi 100mF pa zamenjajte z deset krat manjšim, npr. 10m F. Naslednja stvar je fotoupor, katerega enostavno odspajkate. Enako naredite s potenciometrom za nastavljanje svetlobnega praga, ki ga tudi kratko vežete. Ostane še prireditev napajanja. Večina tovrstnih senzorjev ima stabilizacijo napetosti izvedeno z zener diodo, nekateri pa imajo tudi stabilizator, delujejo pa na napetosti 8V. Tiskano vezje z napajalnikom odstranite in na senzorsko vezje po potrebi dodajte stabilizator 78L08. Med napajalnikom in senzorskim vezjem so ponavadi tri povezave, od katerih je ena napajanje, druga impulz in tretja masa. Izhod vezja (impulz) je tisti priključek, ki gre na bazo tranzistorja, ki krmili rele. Bazni upor (če je na senzorski tiskanini) odstranite in ga kratko vežite, lahko pa na njegovo mesto prispajkate diodo, če veste, da boste več senzorjev vezali v kaskado. Vse tri povezave povežite na vrstno sponko, na katero boste potem priklopili vodnike iz alarmne centrale, in jih primerno označite.

Senzorji z integriranim vezjem ICES49H imajo vgrajeno namensko integrirano vezje, ki vsebuje vse potrebne komponente za njegovo delovanje. Čas trajanja impulza je tukaj določen s frekvenco oscilatorja, katero nastavimo s potenciometrom za trajanje impulza. Kapacitivnost tega kondenzatorja je navadno 22nF. Tudi pri tem senzorju odspajkamo fotoupor in oba potenciometra, ter potenciometra kratko vežemo, kondenzator 22nF pa zamenjamo s kondenzatorjem 2,2nF. Trajanje impulza po potrebi prilagajamo s spreminjanjem upora v oscilatorskem krogu, ki je vezan zaporedno z “bivšim” potenciometrom za nastavljanje časa. Senzorji te vrste imajo 5V stabilizator ponavadi na senzorski tiskanini, torej le še odstranimo napajalni del in senzor je pripravljen.

Žal vam ne morem zagotoviti, da bo vaš senzor, če ga boste predelali po teh navodilih, pravilno deloval, v večini primerov pa bi moral. Če imate več senzorjev, najprej predelajte enega in ko boste prepričani, da vse deluje tako, kot mora, se lotite predelave ostalih. V senzor lahko vgradite tudi LED diodo, s katero si boste pomagali pri nastavljanju senzorja, kasneje pa jo lahko odklopite, če vas bo motila. Podjetja, ki se ukvarjajo z varovanjem objektov ponavadi te LED diode odklopijo, da ne bi potencialni vlomilec mogel preučiti mrtvih kotov senzorja.


GSM konektor – CN7

Že smo pri zadnjem konektorju, na katerega bomo priklopili naš predelani GSM aparat. Preko njega se izmenjujejo tako digitalni podatki kot analogni, aparat se preko njega napaja in nam sporoča svoje stanje.

Pin I/O Funkcija Opis
1 IN-A Audio from GSM Zvok iz GSM v DTMF dekoder
2 OUT-A Audio to GSM Zvok v GSM aparat (ton)
3 COM-A AGND Analogna masa
4 OUT-D PWRON Vklop/izklop telefona
5 IN-D MUTE Utišanje, služi za detekcijo klicanja
6 IN-D PWRST Status telefona (vklopljen/izklopljen)
7 IN-D RXD Podatki v GSM
8 COM-D DGND Digitalna masa
9 OUT-D TXD Podatki iz GSM-a
10 IN-P PWRSUP Napajanje GSM-a, +5V, 300mA (max)

Tabela 8: Funkcije pinov na konektorju CN7

Ericsson GA628 ima na konektorju 12 priključkov, ki se številčijo od leve proti desni, če ga gledamo od spodaj, obrnjenega z baterijo navzdol.

Slika 9: Številčenje priključkov na Ericsson GA628

Sedaj pride na vrsto nekaj minut natančnega dela, pri katerem boste tudi potrebovali orodje za odpiranje GSM aparatov. Aparat sicer lahko odprete tudi brez tega orodja, vendar boste poškodovali vijake. Ko ste odvili štiri vijake, ki ga držijo skupaj, nežno snemite sprednjo steno, skupaj z displejem in tipkovnico. Ker je aparat že nekaj let star, preverite, ali so vijaki, ki držijo tiskano vezje na zadnjem pokrovu, dobro privijačeni. Še posebej pomemben je vijak na vrhu aparata, srebrne barve. Če je ta odvit, lahko aparat izgublja signal in ne deluje zanesljivo. Sedaj tiskano vezje rahlo privzdignite na spodnji strani pri konektorju in ga (konektor) potegnite ven. Konektor namreč ni prispajkan ampak samo nataknjen na tiskano vezje. Kontakte na tiskanem vezju aparata pospajkajte pri temperaturi največ 300 °C. Pred spajkanjem ploščatega kabla lahko naredite še dve obvezni prevezavi, in sicer prevezavo napajanja in kontakt za vklop telefona, ki ga na konektorju ni. To žico pustite na enem koncu prazno, saj pride prispajkana na ploščati kabel. Uporabite čim tanjšo izolirano žico, dobra bo tudi bakrena lakirana žica. Ko ste prevezavi naredili, lahko začnete s spajkanjem ploščatega kabla na mesto, kjer je bil prej konektor. Kabel razdvojite z olfa nožem in pustite žile 1, 2 in 12 za cca 2mm daljše od ostalih. Snemite izolacijo iz žic za dober milimeter in jih pospajkajte. Pri spajkanju kabla na telefon in pri spajkanju prevezav si pomagajte s sliko 10, kjer so detajli prevezav in ploščatega kabla.

Slika 10: Prevezave in povezave v GSM-u

Vse žile ploščatega kabla, razen žile 4, se prispajkajo na mesto, kjer je bil konektor, žila 4 pa se poveže z žico, ki vodi do kontakta za vklop GSM-a (detajl na sredini slike 10).

Ploščati kabel GSM konektor
1 1
2 2
3 3, 4, 5
4 glej tekst
5 6
6 8
7 9
8 10
9 11
10 12

Tabela 9: Povezava ploščatega kabla in GSM-a

Ostane nam še baterija, katero je potrebno razdreti in iz nje pobrati odslužene NiMH celice. Te celice je potrebno odvreči v za to namenjen zbiralnik in ne v koš za smeti. Namesto celic v ohišje spravimo nakaj vzporedno zvezanih elektrolitskih kondenzatorjev. Njihova skupna kapacitivnost naj ne bo manjša od 1000mF. Najbolj praktični so aksialni kondenzatorji, ki jih je enostavno spajkati enega na drugega. Paziti moramo na njuhov premer, da bomo lahko zaprli baterijo. Te kondenzatorje prispajkajte na kontakte, kjer so bile prej pripunktirane baterije. Pazite na polariteto. Ko je baterija z nalepko obrnjena proti mizi, je levi kontakt “+” in desni “-”. Naprava vam bo povsem brezhibno delovala tudi brez omenjenih kondenzatorjev, le značilne motnje, ki jih povzroča GSM v vašem zvočniku bodo močnejše. Na koncu baterijo zaprete in na nekaj točkah zalepite s sekundnim lepilom. Naj omenim še osvetlitev aparata. Ta le troši energijo, zato lahko SMD svetleče diode odstranite, ni pa nujno. Če želite, lahko odstranite tudi zvočnik, mikrofon in piskač za zvonec. Na drugo stran kabla še stisnete speedy konektor, sestavite telefon in ta je pripravljen na našo napravo. Če imate pištolo za vroče lepljenje, lahko na spodnji strani telefona zalijete odprtino, ki je ostala in tako tudi preprečite, da bi se kabel zaradi premikanja odtrgal.


Tiskano vezje

Tako, podrobno smo obdelali, kaj moramo kam priklopiti, torej je čas, da si ogledamo tiskana vezja. Ker sem jih hotel čim bolj skrčiti, sem zopet uporabil veliko SMD komponent. Tiskano vezje centrale je dvostransko, dimenzij 106 x 79mm. Če ste vešči v izdelavi tiskanih vezij, si ga boste naredili lahko tudi doma, vsekakor pa vam priporočam nakup v prodajnem servisu revije Svet elektronike. Tiskani vezji napajalnika in zaščite sta enostranski in se jih lahko naredi dima. Predloge za tiskana vezja so shranjene tukaj.


Sestavljanje vezja

Tiskano vezje s spodnje strani na tanko posprejamo s FLUX-om, ki nam olajša spajkanje. Pred pričetkom spajkanja naj se ta dobro posuši, da ne boste na vezju puščali neželenih odtisov. Pomagate mu lahko tudi s pečico, ogreto na 50°C Najprej se lotite spodnje strani s SMD elementi. Najprej prispajkajte vse upore, nato kondenzatorje, diode, tranzistorje in na koncu integrirani vezji. Pri spajkanju integriranih vezij je zelo dobro spajkalna mesta predhodno namazati s pasto za spajkanje SMD elementov. Temperatura spajkalnika naj bo 280°C. Pazite, da ne boste pregrevali polprevodnikov. Rajši med spajkanjem počakajte, in nadaljujte, ko se element malo ohladi. Na splošno pri spajkanju SMD komponent pazite na to, da bodo zares prispajkane in da med njimi ne bo kratkih stikov. C23 boste prispajkali na zgornjo ali spodnjo stran tiskanega vezja, odvisno od izvedbe, ki jo imate.

Slika 11: Razpored elementov s spodnje strani
(klikni na sliko za povečavo)

Na zgornji strani najprej prispajkajte optospojnika, podnožje za IC2, IC3 ter IC1, ki ga ne pozabite namazati s silikonsko pasto. Nato lahko prispajkate speedy konektorje, vrstne sponke, C23, če ga še niste na spodnji strani, elektrolite, quatrz kristala, tranzistorja ter releje. Čisto na koncu vstavite sprogramiran mikrokontroler v pripadajoče podnožje. Vezje je nared za prvi preizkus, priporočam pa vam, da ga še enkrat podrobno pregledate, da ne bi bilo kje slabih ali kratkih stikov. Pred spajkanjem quartz kristalov na njuno mesto prilepite košček lepilnega traku. To priporočam zato, da ne bi slučajno prišlo do kratkega stika med kontaktoma kristala, ki ga lahko povzroči njegovo kovinsko ohišje. Zaradi take banalne stvari lahko naprava ne deluje tako, kot bi morala. Naprava ne potrebuje nikakršnega umerjanja in nastavljanja.

Slika 12: Razpored elementov z zgornje strani


Programska oprema

Program, ki je zapečen v mikrokontroler, je dolg približno 6kB, izvorna koda pa 16kB. Ker je vsega programja veliko, se bom osredotočil le na nekaj zanimivih rutin.

Ena izmed takih rutin je Get_dtmf, s katero na enostaven način preberemo podatek iz DTMF dekoderja

Get_dtmf:

Dtmf = 0 'Resetiraj spremenljivko,
If P0.0 = 1 Then 'poglej P0.0 (LSB),
Dtmf = Dtmf + 1 'če je 1, prištej 1.
End If
If P0.1 = 1 Then 'Poglej P0.1,
Dtmf = Dtmf + 2 'če je 1, prištej 2...
End If
If P0.2 = 1 Then
Dtmf = Dtmf + 4
End If
If P0.3 = 1 Then
Dtmf = Dtmf + 8
End If
If Dtmf = 10 Then 'Če je Dtmf 10, kar ustreza tipki
Dtmf = 0 '"0", naj bo Dtmf enak 0,
End If
Sound P0.5 , 300 , 150 , Noint 'oddaj ton in se
Return 'vrni v osnovno zanko

Naslednja zanimiva zanka je Read_password, ki iz EEPROM-a prebere geslo.

Read_password:
Stop Timer0 'Ustavi Timer0, da ne moti prenosa po I2C vodilu.

I2cstart 'Inicializiraj prenos I2C,
I2cwbyte 160 'vpiši naslov EEPROM-a,
I2cwbyte 1 'vpiši naslov lokacije,
I2cstart 'ponovi START
I2cwbyte 161 'vpiši naslov za branje,
I2crbyte Eepassword(1) , 8 'preberi spremenljivko št. 1,
I2crbyte Eepassword(2) , 8 '2,
I2crbyte Eepassword(3) , 8 '3 in
I2crbyte Eepassword(4) , 9 '4.
I2cstop 'Ustavi prenos podatkov.

For O = 1 To 4 'Preveri, če je katera
If Eepassword(o) > 9 Then 'od spremenljivk večja
Eepassword(o) = 0 'od 9, kar bi pomenilo,
End If 'da je EEPROM nov, in
Next O 'zato postavi spremenljivko
'na vrednost 0.
Return

Na ta način program ugotovi, ali je EEPROM nov in dokler ne sprogramiramo svojega gesla, je to 0000.

Še eno pomembno rutino bom opisal, in sicer prekinitev Timer0.

Timer_0_int: 'Rutina Timer0
Incr Clock 'Vsakih 271,3us

If P0.7 = 1 Then 'Če je telefon aktiven
If Ring <> 82 Then 'in če ni bilo signala zvonenja
Ring = Inkey 'Preveri buffer, če vsebuje črko "R"
End If
End If

If Clock > 30 Then 'Vsakih 8,14ms
Clock = 0
Incr Clock1

If Clock1 > 123 Then 'Vsako sekundo (1000,98ms)
Clock1 = 0
If P1.7 = 0 Then 'Če ni napajanja iz 230V,
Set P1.0 'ugasni vse porabnike.
Set P1.1
Set P1.2
Set P1.3
If Pwr_cnt > 0 Then 'Če čas še ni potekel,
Decr Pwr_cnt 'ga zmanjšaj za 1s,
Cls : Lcd "Backup supp. " 'izpiši tekst,
Lcd Pwr_cnt 'in preostali čas.
If Pwr_cnt = 0 Then 'Ko čas poteče,
Pwr = 0 'javi izpad napajanja.
Act_cnt = 0 'Inicializeraj pričetek klicanja.
End If
End If

Else 'Če je napajanje iz omrežja,
P1.3 = Load1 'postavi porabnike na
P1.1 = Load2 'nastavljeno stanje.
P1.2 = Load3
P1.0 = Load4
Pwr = 1
If Pwr_cnt <> 121 Then 'Če bil je števec spremenjen,
Cls : Lcd " 230V supply" 'izpiši tekst in
Pwr_cnt = 121 'ponastavi števec na 2min
End If
End If
End If

If Active = 1 Then 'Če je alarm v pripravljenosti,
If Clock1 < Blinker Then 'in je izpovnjen pogoj,
Reset P1.6 'vklopi LED diodo,
Else 'sicer jo izklopi.
Set P1.6 'Na ta način dosežemo
End If 'utripanje LED diode.

If Alarm > 0 Then 'Če je sprožen alarm,
Decr Alarm 'odštevaj čas,
Reset P1.4 'vklopi sireno in
P1.5 = Alarm.6 'proži utripalko.
End If
End If
End If
Return

Seveda je podobnih rutin še veliko, ampak vas z njimi ne bom obremenjeval. Mikrokontroler boste lahko kupili v prodajnem servisu revije Svet elektronike.


Napajalni del alarmne centrale

Naprava, kot smo jo naredili potrebuje spodoben napajalnik s čim večjim izkoristkom, da se ne pregreva, hkrati pa mora služiti tudi kot polnilec našega akumulatorja. Izbral sem stikalni napajalnik vrste “Step down”, kar pomeni, da je izhodna napetost nižja od vhodne. Osnovno vezje napajanika z L4960 sem deloma modificiral in vanj vklopil nekaj dodatnih zaščit. Supresorska dioda D1 ščiti napajalnik pred morebitnimi konicami iz transformatorja, katere se lahko inducirajo ob udaru strele. Če imate dvosmerno supresorsko diodo, potem polariteta ni pomembna, sicer pa je potrebno anodo prispajkati na maso in katodo na + gladilnega kondenzatorja C1. Zener dioda D5 ščiti centralo v primeru, da bi odpovedal IC1 in spustil vhodno napetost (cca 25V) direktno na izhod. V tem primeru bo zener dioda prebila, s tem naredila kratek stik in varovalka F1 bo pregorela. Poleg tega ima naš napajalnik še detekcijo izpada električnega omrežja. Vezje je povsem enostavno, z enim tranzistorjem in nekaj okoliškimi elementi. Kadar je napajanje iz omrežja prisotno, je na C1 višja napetost, kot na akumulatorju, zato je tranzistor zaprt. Ko omrežna napetost izpade, se izprazni C1 in preko upora R6 potegne bazo PNP tranzistorja proti masi, zato se ta odpre in ustvari logično “1” z napetostjo iz akumulatorja.

Zelo pomemben element napajalnika je tuljava, ki naj bi imela induktivnost okoli 150uH, dimenzionirana naj bo za 3A toka in za preklopno frekvenco 100kHz. Poskusil bom urediti, da boste tako tuljavo lahko kupili v prodajnem servisu revije, ali pa mi boste napisali elektronsko sporočilo, jaz pa vam bom dal podatke o proizvajalcu.

Slika 13: Shema napajalnika

Napajalnik ima konektor s sedmimi vrstnimi sponkami, ki imajo naslednji pomen:

Pin I/O Funkcija Opis
1 IN-AC 18VAC Sekundar transformatorja
2 IN-AC 18VAC Sekundar transformatorja
3 OUT-P +12V + akumulatorja
4 OUT-P GND - akumulatorja
5 OUT-P +12V Napajanje centrale
6 OUT-P GND Masa napajanja
7 OUT-D PG Detekcija omrežne napetosti

Tabela 10: Funkcije priključkov na napajalniku

Na sponke se priklopi transformator 220/18V, 50VA, 12V svinčev akumulator in napajanje centrale. Na sliki 14 lahko vidite shemo za priklop. Črtkani del je dodatna zaščita, ki ni obvezna, če pa želite napravo zares dobro zaščititi, vam jo priporočam.

Slika 14: Priklop napajalnika

Tudi tiskani vezji za napajalnik in dodatno zaščito sta objavljeni v reviji, skupaj z ostalimi predlogami. Napajalnik sestavimo po podobnem vrstnem redu, kot ostala vezja, najprej SMD elementi, potem pa navadni, od nižjega proti višjemu. Na IC1 privijačimo manjše hladilno rebro, saj se ta med normalnim delovanjem, ko je akumulator napolnjen, zelo malo greje. Med delovanjem napajalnika s TP1 nastavimo napetost polnjenja akumulatorja na 13 do 13,5V.

Slika 15: Razpored elementov napajalnika, spodnja in zgornja stran.
(klikni za povečavo)

Kot sem rekel, zaščita vezja na omrežni strani ni obvezna, je pa priporočljiva. Vezje je zelo enostavno, saj vsebuje filterski del in dva plinska odvodnika. Tuljava v filterskem delu ima lahko tudi drugačno induktivnost, pomembno je le, da prenese cca 0,5A toka. Kondenzatorja sta folijska, plinska odvodnika pa Siemensova z oznako B1-A230.

Slika 16: Razpored elementov omrežne zaščite







Prvi vklop in testiranje

Sedaj, ko imate vse sklope pripravljene, lahko povežete med sabo zaščito, transformator in napajalnik. Za enkrat ju še ne priklapljajte na centralo, da ne bo kake nepredvidljive škode. TP1 obrnite na minimum, v obratni smeri urinega kazalca in napravo priklopite na omrežje. Seveda se prej prepričajte, ali je to varno, zaradi prisotnosti omrežne napetosti. Izmerite izhodno napetost in če je ta okrog 12V, lahko priklopite nanj tudi akumulator. Priklopite nanj še voltmeter in nastavite napetost napajalnika na 13 do 13,5V. Če vse dela, kot bi moralo, lahko omrežno napetost in akumulator odklopite in napajalnik povežete s centralo. Nanjo priključite tudi vse konektorje. Za testiranje naprave si lahko naredite kable, na koncu katerih so tipke, s katerimi simulirate signale iz senzorjev in daljinca, pri čemer si pomagajte tudi s slikami iz prejšnje revije. Sabotažo lahko simulirate z majhnim stikalom, na mesto sirene in utripalke priklopite 12V žarnice (cca 2W), na LED konektor LED diode in na GSM konektor predelani GSM. Pri zagonu bo prav prišel tudi LCD displej.

Ko vezje vklopite, se na zaslonu LCD-ja izpiše verzija naprave ter elektronski naslov za informacije. Naprava ugotovi, da GSM aparat ni vklopljen in ga vklopi. Če se ta vklopi, ste praktično na konju. Napravo boste najbolje preizkusili tako, da vzamete navodila za uporabo, ter greste po vseh korakih, npr. sprememba gesla, primarna tel. številka… Vse dogajanje v napravi boste lahko spremljali na LCD displeju in LED diodah. Če ne boste v napravo vprogramirali primarne telefonske številke, vas bo na to opozorila. Na sliki 17 lahko vidite, kako sem zvezal napravo za testiranje. Lahko tudi simulirate izpad električne energije. V tem primeru se vam bo na zaslonu izpisalo “Backup supp. xxx”, pri čemer xxx pomeni preostanek časa pred klicanjem. Seveda naprava ne bo klicala, če ne boste vanjo vprogramirali vsaj ene telefonske številke. Če se vam naprava ne bo hotela odzivati na DTMF kodo, povečajte glasnost na GSM aparatu v centrali na maksimum. To lahko storite, ko je zveza vzpostavljena s pritiskanjem na desno puščico na tipkovnici. Kos ste to nastavili, ugasnite GSM s tipko “NO”, saj se bodo le tako shranile nastavitve o glasnosti v njegov EEPROM.

Kako boste napravo spravili v ohišje, bom prepustil vam, zaradi obilice različnih ohišij in vaših bolj ali manj strogih estetskih zahtev. Svetujem vam, da naj bo ohišje iz samougasljive ABS plastike z nekaj odprtinami za zračenje. Če jih ni, jih naredite sami. Med preizkušanjem naprave se zna zgoditi, da boste pozabili geslo, ki ste ga vprogramirali. Kako se lahko povrne geslo pa ne bom razglašal na tem mestu, ampak boste navodilo prejeli skupaj z mikrokontrolerjem. Vsekakor pa je skrajna varianta zamenjava EEPROM-a ali njegovo brisanje.

Slika 17: Naprava med testiranjem







Spisek materiala

GSM centrala

Oznaka Vrednost Kos Opomba
R36 10W 1 SMD 0805 ali 1206
R41 47W 1 SMD 0805 ali 1206
R14, R23, R24 270W 3 SMD 0805 ali 1206
R27, R30 470W 2 SMD 0805 ali 1206
R2, R9-R13, R15, R16, R19, R28, R29, R31, R32 1kW 13 SMD 0805 ali 1206
R3-R8, R35, R37 2k7 8 SMD 0805 ali 1206
R43 5k6 1 SMD 0805 ali 1206
R1, R17, R18, R20, R22, R25, R26, R33, R34 10k 9 SMD 0805 ali 1206
R21, R39, R40, R42 100k 4 SMD 0805 ali 1206
R38 470k 1 SMD 0805 ali 1206
C17, C18 15p 2 SMD 0805
C6, C7 33p 2 SMD 0805
C1, C3, C8, C9, C11-C16, C19-C22, C25 100n 16 SMD 0805 ali 1206
C5, C10 330n 2 SMD 1206
C23 47m /10V 1 Tantal, SMD ali navaden
C2 220m /16V 1 Radialni
C4 470m /10V 1 Radialni
TP1 10k 1
D1-D8 1N4148 8 SMD steklena
T1-T5, T8, T9, T11 BC847C 8 SMD SOT23
T10 BC857C 1 SMD SOT23
T6, T7 BDX53 2 TO220, lahko podoben
IC1 LM7805 1 termo pasta!
IC2 AT89C52 1 s programom
IC3 MT8870 1 ali kompatibilen
IC4 40106D 1 SMD SO14
IC5 24C04 1 SMD SO8
OC1, OC2 TIL111 2 DIL6
X1 11,0592MHz 1 po možnosti nizek
X2 3,579545MHz 1
RLY1-RLY4 JSM1-12V 4 NAIS
DP1 LCD 1x16 1 HD44780 ali kompatibilen
CN1 Vrstne sp. 3 polne 1 1x3
CN2 Vrstne sp. 11 polne 1 3x3+2
CN3, CN5, CN7 Speedy 10, M in Ž 3 3x moški + 3x ženski
CN4, CN6 Speedy 16, M in Ž 2 2x moški + 2x ženski
Ostalo Podnožje DIL40 1 profi
Ostalo Tiskano vezje 1
Ostalo GSM Ericsson GA628 1 brez polnilca, z istrošeno bat.
Ostalo Trafo 230V/18V, 50VA 1 toroid
Ostalo Ohišje za napravo 1 ABS plastika, zračeno
Ostalo Akumulator 12V/7Ah 1 Lahko tudi manjša kapaciteta

Napajalnik

Oznaka Vrednost Kos Opomba
R1, R3, R7 4k7 3 SMD 0805 ali 1206
R4 6k8 1 SMD 0805 ali 1206
R5, R6 10k 2 SMD 0805 ali 1206
R2
18k
1
SMD 0805 ali 1206
TP1 2k2 1 vertikalni
C3 2n2 1 SMD 0805 ali 1206
C4 33n 1 SMD 0805 ali 1206
C2, C7-C9 100n 4 SMD 0805 ali 1206
C5 2,2m /25V 1 tantal
C6 1000u/16V 1 radialni
C1 4700u/35V 1 radialni
L1 150uH/2,5A 1 za 100kHz
D1 33V suppressor 1 enosmerna ali dvosmerna
D2 BYW80 1 ali podobna, 3A hitra
D3 1N5400 1 ali podobna, 3A
D4 1N4148 1 SMD MELF (steklena)
D5 ZD 15V/1W 1
GR1 KBU808 1 lahko podoben, 40V/5A
T1 BC857 1 SMD SOT23
IC1 L4960 1 heptawatt
F1 3,15AT 1 20mm
CN1 Vrstne sp. 7 polne 1 3+2+2
Ostalo Tiskano vezje 1
Ostalo Ohišje F1 1 za TIV ali za panel

Zaščita

Oznaka Vrednost Kos Opomba
Kondenzator 0,1m F/400VAC 2 folijski
Filterska tuljava 2x27mH/0,5A 1
Plinski odvodnik B1-A230 2 Siemens
Varovalka 1AT 1 20mm
Ohišje za varovaljo za TIV ali za panel 1
Vrstna sponka 3 polna 1
Vrstna sponka 2 polna 1
Tiskano vezje
1


Izjava

Naprava je zahtevna za sestavljanje in vsebuje veliko drobnih elementov, za spajkanje katerih potrebujete določene izkušnje. Naprava je nevarna, saj je priključena na omrežno napetost, zato jo lahko prikljaplja le izkušen strokovnjak. Avtor ne prevzemam nobene odgovornosti za morebitno škodo, ki bi jo lahko povzročila naprava. Pred uporabo naprave pozorno preberite navodila za uporabo.

Kot avtor članka, naprave in programa si pridržujem vse pravice do omenjenega materiala. V kolikor boste gradivo uporabljali pri svojem delu (projektne, seminarske naloge...) me prosim prej vprašajte in v svojem delu navedite vire.


Zaključek

Dobro preizkušeno napravo boste vgradili v svoj objekt in nanjo priklopili ostale sklope. To storite natančno, predvsem zaradi varnosti, pa tudi zanesljivosti. V napravo sem vložil veliko truda in storil sem vse, kar je v moji moči, da bi delovala dolgo in zanesljivo. Zato upam, da boste z njo zadovoljni, poleg tega pa boste še kaj prihranili. Upam, da bo vaš dom bolj varen in življenje vsaj za odtenek bolj kvalitetno.


Projekt je bil objavljen v reviji

Avtor: Srečko Lavrič

Zadnja sprememba: 14. maj 2004